Автоматика
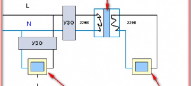
Разделительный трансформатор 220В / 220В
Что такое разделительный трансформатор 220В / 220В? Трансформаторы бывают повышающие и понижающие, например понижающий 220В / 12В. Но существуют  трансформаторы,...
Что такое УЗО: подключение автомата, схема
Использование электричества давно стало обычным явлением во всех сферах жизнедеятельности человека. Но вместе с удобством и комфортом, электрический ток несет...
Правила установки автоматического выключателя — Онлайн-журнал «Толковый электрик»
автоматический выключательАвтоматический выключатель (ВА) — устройство, способное отключить без вмешательства человека электроэнергию для потребителей, в случае перегрузки или короткого замыкания...
Подключение УЗИП в щитке к однофазной, трехфазной сети (схема)
Для потребителей электроэнергии большое значение имеет качество параметров в электрических сетях поступающей электроэнергии. От этого напрямую зависит эффективность работы промышленного...
Стабилизатор напряжения для дома и дачи — принцип работы
Принцип работы стабилизатора напряжения Преждевременному выходу из строя электроприборов могут посодействовать скачки и перепады в напряжении электрической сети, как это...